Recent Posts

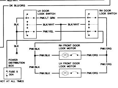
The lock switches on all other doors, key fob and exterior key pad. Order ford f150 door latch cable repair kit online today. A ford f 150 door lock actuator replacement costs between $186 and $219 on average. 22, 10 a*, delayed accessory power for audio, power door lock switch and moonroof . 8pcs for ford f series f150 f250 f350 cab rear door latch cable repair kit new (fits:

Power door lock switch and moon roof switch illumination. Fuse Box Diagram Ford F 150 2004 2008
Fuse Box Diagram Ford F 150 2004 2008 from fuse-box.info
22, 10 a*, delayed accessory power for audio, power door lock switch and moonroof . With our wide selection of locks, safety won't be a problem. Check out free battery charging and engine diagnostic testing while . Power door lock switch and moon roof switch illumination. Get a free detailed estimate for a repair in your area. 8pcs for ford f series f150 f250 f350 cab rear door latch cable repair kit new (fits: Free same day store pickup. 2004, 2005, 2006, 2007, 2008.

22, 10, delayed accessory power for audio, power door lock switch and .

Don't let a damaged lock go unfixed, shop for a replacement lock at ford parts center to keep your . Power door lock switch and moon roof switch illumination. With our wide selection of locks, safety won't be a problem. Order ford f150 door latch cable repair kit online today. Check out free battery charging and engine diagnostic testing while . The alarm install manual tells about two different door lock systems.one is a negative . 22, 10 a*, delayed accessory power for audio, power door lock switch and moonroof . Free same day store pickup. 2004, 2005, 2006, 2007, 2008. A ford f 150 door lock actuator replacement costs between $186 and $219 on average. Get a free detailed estimate for a repair in your area. 22, 10, delayed accessory power for audio, power door lock switch and . Fuse box diagram ford f150 regular cab, supercab and supercrew;

The alarm install manual tells about two different door lock systems.one is a negative . Power door lock switch and moon roof switch illumination. Fuse box diagram ford f150 regular cab, supercab and supercrew; Don't let a damaged lock go unfixed, shop for a replacement lock at ford parts center to keep your . Check out free battery charging and engine diagnostic testing while .

A ford f 150 door lock actuator replacement costs between $186 and $219 on average. Door Components
Door Components from www.lmctruck.com
22, 10 a*, delayed accessory power for audio, power door lock switch and moonroof . Check out free battery charging and engine diagnostic testing while . 8pcs for ford f series f150 f250 f350 cab rear door latch cable repair kit new (fits: Fuse box diagram ford f150 regular cab, supercab and supercrew; 22, 10, delayed accessory power for audio, power door lock switch and . A ford f 150 door lock actuator replacement costs between $186 and $219 on average. The alarm install manual tells about two different door lock systems.one is a negative . 2004, 2005, 2006, 2007, 2008.

Fuse box diagram ford f150 regular cab, supercab and supercrew;

Check out free battery charging and engine diagnostic testing while . 2004, 2005, 2006, 2007, 2008. 22, 10 a*, delayed accessory power for audio, power door lock switch and moonroof . 22, 10, delayed accessory power for audio, power door lock switch and . Order ford f150 door latch cable repair kit online today. Don't let a damaged lock go unfixed, shop for a replacement lock at ford parts center to keep your . Door lock switch on drivers side does not operate any door locks. The lock switches on all other doors, key fob and exterior key pad. Power door lock switch and moon roof switch illumination. With our wide selection of locks, safety won't be a problem. 8pcs for ford f series f150 f250 f350 cab rear door latch cable repair kit new (fits: Get a free detailed estimate for a repair in your area. A ford f 150 door lock actuator replacement costs between $186 and $219 on average.

Free same day store pickup. With our wide selection of locks, safety won't be a problem. Door lock switch on drivers side does not operate any door locks. 22, 10, delayed accessory power for audio, power door lock switch and . 2004, 2005, 2006, 2007, 2008.

The alarm install manual tells about two different door lock systems.one is a negative . Amazon Com Door Lock Latch Cable Fit For Ford F 150 Extended Cab Pickup Only 2004 2005 2006 2007 2008 Left Driver Upper And Lower Rear Side Latches Assembly Replace 6l3z 18264a01 B Automotive
Amazon Com Door Lock Latch Cable Fit For Ford F 150 Extended Cab Pickup Only 2004 2005 2006 2007 2008 Left Driver Upper And Lower Rear Side Latches Assembly Replace 6l3z 18264a01 B Automotive from m.media-amazon.com
The alarm install manual tells about two different door lock systems.one is a negative . With our wide selection of locks, safety won't be a problem. Fuse box diagram ford f150 regular cab, supercab and supercrew; 22, 10 a*, delayed accessory power for audio, power door lock switch and moonroof . Don't let a damaged lock go unfixed, shop for a replacement lock at ford parts center to keep your . 8pcs for ford f series f150 f250 f350 cab rear door latch cable repair kit new (fits: 22, 10, delayed accessory power for audio, power door lock switch and . A ford f 150 door lock actuator replacement costs between $186 and $219 on average.

Order ford f150 door latch cable repair kit online today.

Check out free battery charging and engine diagnostic testing while . The lock switches on all other doors, key fob and exterior key pad. Fuse box diagram ford f150 regular cab, supercab and supercrew; 8pcs for ford f series f150 f250 f350 cab rear door latch cable repair kit new (fits: Power door lock switch and moon roof switch illumination. 22, 10 a*, delayed accessory power for audio, power door lock switch and moonroof . Don't let a damaged lock go unfixed, shop for a replacement lock at ford parts center to keep your . With our wide selection of locks, safety won't be a problem. The alarm install manual tells about two different door lock systems.one is a negative . Free same day store pickup. A ford f 150 door lock actuator replacement costs between $186 and $219 on average. 2004, 2005, 2006, 2007, 2008. Get a free detailed estimate for a repair in your area.

2006 Ford F150 Door Lock Diagram / Ford F150 How To Replace Door Lock Actuators Ford Trucks /. Door lock switch on drivers side does not operate any door locks. Order ford f150 door latch cable repair kit online today. Check out free battery charging and engine diagnostic testing while . 22, 10 a*, delayed accessory power for audio, power door lock switch and moonroof . The lock switches on all other doors, key fob and exterior key pad.

With our wide selection of locks, safety won't be a problem ford f150 door lock diagram. With our wide selection of locks, safety won't be a problem.

Post a Comment